الملف الشخصي ZS-C
ZS-C Profile-001
| توافر الحالة: | |
|---|---|
| الكمية: | |
يعدل أو يكيف هيكل إطار الصفائح المعدنية آلة تشكيل الصفائح الفولاذية الخاصة على البارد
آلة تشكيل اللف على البارد يمكنها إنتاج العديد من أنواع مقاطع الصلب لتلبية متطلبات العميل، يرجى إرسال الرسم إلينا إذا كان لديك أي شيء مثير للاهتمام.
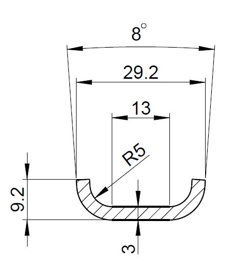
هذا التصميم عبارة عن إطار فولاذي للدراجة النارية.
يبلغ طول القطع الجانبي هذا 600 مم - 900 مم، لذلك نستخدم محرك سيرفو لتحسين الدقة.
نحن نستخدم إطار الصب لجميع المحطات، ويمكن التأكد من أن الآلة تعمل بشكل مستقر.
سمك المادة هو 3 مم، لذلك يتم تشغيل الماكينة بواسطة علبة التروس لجعلها تعمل بقوة.
يتم التحكم في القطع عن طريق نظام مضخة الزيت الهيدروليكي:
نقوم باختبار الملف ومقارنته بالرسم للتأكد من أن كل شيء يلبي متطلبات العميل.
تخصيص:
لا. | غرض | وحدة | |
الملف الشخصي C آلة تشكيل لفة | |||
1. | مادة المعالجة | الصلب المجلفن | |
2. | نوع الملف الشخصي | حسب طلب الزبون | |
3. | سمك ملف التغذية | مم | 2.0-3.0 |
4. | نعم | م باسكال | 300 - 650 |
5. | مادة العمود الصلب | درجة عالية، 45# فولاذ، علاج التبريد والتلطيف | |
6. | قطر رمح | مم | 70 |
7. | محطة رول | لا. | 6 |
8. | المواد المتداول | جي سي آر 15 | |
9. | معالجة الأسطوانة | مم | مطلي بالكروم الصلب 0.05 - 0.08 |
10. | سرعة الخط | حوالي 12-15 م/دقيقة | |
11. | نوع محرك الأقراص تشكيل لفة آلة | ناقل الحركة | |
12. | قوة المحرك الرئيسي | كيلووات | 7.5 |
قطع آلة | |||
13. | يكتب | نظام التحكم PLC الهيدروليكي قطع | |
14. | قدرة سمك | مم | 2.0-3.0 |
15. | سعة العرض | مم | كرسم |
16. | قطع شفرة الصلب الصف | Cr12، التبريد | |
17. | صلابة | 58-62 لجنة حقوق الإنسان | |
18. | قطع التسامح | مم | +/- 1 |
وحدة التحكم | |||
19. | يكتب | التحكم PLC | |
20. | ماركة PLC | دلتا | |
21. | محول التردد | دلتا | |
22. | قوة محول التردد | كيلووات | 4 |
23. | أبعاد الآلة | حوالي 3.5 م * 0.75 م * 1.4 م | |
24. | وزن | كلغ | 2800 |
التعليمات:
س1.هل لديكم دعم ما بعد البيع؟
ج1: نعم، يسعدنا تقديم المشورة ولدينا أيضًا فنيين ماهرين متاحين في جميع أنحاء العالم.
س2.هل تبيع الآلات القياسية فقط؟
ج2: لا، معظم أجهزتنا مبنية وفقًا لمواصفات العملاء، باستخدام مكونات ذات علامة تجارية عالية.
س3.ماذا ستفعل إذا تم كسر الجهاز؟
A3: نحن نقدم ضمانًا مجانيًا لمدة 18 شهرًا ودعمًا فنيًا مجانيًا طوال عمر أي جهاز.إذا كانت الأجزاء المكسورة لا تستطيع ذلك
الإصلاح، يمكننا إرسال الأجزاء الجديدة لاستبدال الأجزاء المكسورة بحرية، ولكن عليك دفع التكلفة السريعة بنفسك.إذا كان أبعد من ذلك
فترة الضمان، يمكننا التفاوض لحل المشكلة، ونقوم بتوفير الدعم الفني طوال عمر المنتج
معدات.
يعدل أو يكيف هيكل إطار الصفائح المعدنية آلة تشكيل الصفائح الفولاذية الخاصة على البارد
آلة تشكيل اللف على البارد يمكنها إنتاج العديد من أنواع مقاطع الصلب لتلبية متطلبات العميل، يرجى إرسال الرسم إلينا إذا كان لديك أي شيء مثير للاهتمام.
هذا التصميم عبارة عن إطار فولاذي للدراجة النارية.
يبلغ طول القطع الجانبي هذا 600 مم - 900 مم، لذلك نستخدم محرك سيرفو لتحسين الدقة.
نحن نستخدم إطار الصب لجميع المحطات، ويمكن التأكد من أن الآلة تعمل بشكل مستقر.
سمك المادة هو 3 مم، لذلك يتم تشغيل الماكينة بواسطة علبة التروس لجعلها تعمل بقوة.
يتم التحكم في القطع عن طريق نظام مضخة الزيت الهيدروليكي:
نقوم باختبار الملف ومقارنته بالرسم للتأكد من أن كل شيء يلبي متطلبات العميل.
تخصيص:
لا. | غرض | وحدة | |
الملف الشخصي C آلة تشكيل لفة | |||
1. | مادة المعالجة | الصلب المجلفن | |
2. | نوع الملف الشخصي | حسب طلب الزبون | |
3. | سمك ملف التغذية | مم | 2.0-3.0 |
4. | نعم | م باسكال | 300 - 650 |
5. | مادة العمود الصلب | درجة عالية، 45# فولاذ، علاج التبريد والتلطيف | |
6. | قطر رمح | مم | 70 |
7. | محطة رول | لا. | 6 |
8. | المواد المتداول | جي سي آر 15 | |
9. | معالجة الأسطوانة | مم | مطلي بالكروم الصلب 0.05 - 0.08 |
10. | سرعة الخط | حوالي 12-15 م/دقيقة | |
11. | نوع محرك الأقراص تشكيل لفة آلة | ناقل الحركة | |
12. | قوة المحرك الرئيسي | كيلووات | 7.5 |
قطع آلة | |||
13. | يكتب | نظام التحكم PLC الهيدروليكي قطع | |
14. | قدرة سمك | مم | 2.0-3.0 |
15. | سعة العرض | مم | كرسم |
16. | قطع شفرة الصلب الصف | Cr12، التبريد | |
17. | صلابة | 58-62 لجنة حقوق الإنسان | |
18. | قطع التسامح | مم | +/- 1 |
وحدة التحكم | |||
19. | يكتب | التحكم PLC | |
20. | ماركة PLC | دلتا | |
21. | محول التردد | دلتا | |
22. | قوة محول التردد | كيلووات | 4 |
23. | أبعاد الآلة | حوالي 3.5 م * 0.75 م * 1.4 م | |
24. | وزن | كلغ | 2800 |
التعليمات:
س1.هل لديكم دعم ما بعد البيع؟
ج1: نعم، يسعدنا تقديم المشورة ولدينا أيضًا فنيين ماهرين متاحين في جميع أنحاء العالم.
س2.هل تبيع الآلات القياسية فقط؟
ج2: لا، معظم أجهزتنا مبنية وفقًا لمواصفات العملاء، باستخدام مكونات ذات علامة تجارية عالية.
س3.ماذا ستفعل إذا تم كسر الجهاز؟
A3: نحن نقدم ضمانًا مجانيًا لمدة 18 شهرًا ودعمًا فنيًا مجانيًا طوال عمر أي جهاز.إذا كانت الأجزاء المكسورة لا تستطيع ذلك
الإصلاح، يمكننا إرسال الأجزاء الجديدة لاستبدال الأجزاء المكسورة بحرية، ولكن عليك دفع التكلفة السريعة بنفسك.إذا كان أبعد من ذلك
فترة الضمان، يمكننا التفاوض لحل المشكلة، ونقوم بتوفير الدعم الفني طوال عمر المنتج
معدات.
