| توافر الحالة: | |
|---|---|
| الكمية: | |
آلة تشكيل التماس الدائمة
تحتوي آلة السقف المعدني ذات التماس الدائم على أنواع مختلفة تستخدم مع الصفائح المموجة وألواح IBR أو صفائح البلاط المزجج أو القفل الذاتي
آلة السقف.يتم استخدام الورقة على نطاق واسع في العديد من أنواع المصانع الصناعية والمباني المدنية وألواح السقف لمنتج الأجزاء المرفقة
يتميز بمظهر جميل، واستخدام متين وما إلى ذلك.
تخصيص:
لا. | غرض | وحدة | |
1. | مادة المعالجة | ببجي | |
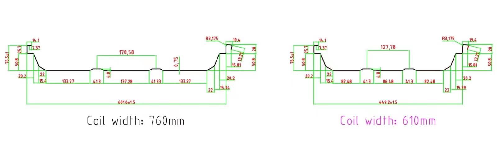
2. | نوع الملف الشخصي | كعميل’طلب | |
3. | سمك ملف التغذية | مم | 0.4-0.8 |
4. | نعم | M سنويا | 300 - 650 |
5. | مادة العمود الصلب | درجة عالية، 45# فولاذ، معالجة للتبريد والتلطيف | |
6. | رمح ضياءمتر | مم | 70 |
7. | محطة رول | لا. | 20 |
8. | المواد المتداول | 45# فولاذ | |
9. | معالجة الأسطوانة | مم | مطلي بالكروم الصلب 0.05 - 0.08 |
10. | سرعة الخط | حوالي 12-15 م/دقيقة | |
11. | نوع محرك آلة تشكيل اللف | سلسلة | |
12. | قوة المحرك الرئيسي | كيلووات | 7.5 |
آلة قطع | |||
13. | يكتب | القطع الهيدروليكي الذي يتم التحكم فيه بواسطة PLC | |
14. | قدرة سمك | مم | 0.4-0.8 |
15. | سعة العرض | مم | كرسم |
16. | قطع شفرة الصلب الصف | Cr12، التبريد | |
17. | صلابة | 58-62 لجنة حقوق الإنسان | |
18. | قطع التسامح | مم | +/- 1 |
وحدة التحكم | |||
19. | يكتب | التحكم PLC | |
20. | ماركة PLC | دلتا | |
21. | قوة محول التردد | كيلووات | 4 |
22. | أبعاد الآلة | حوالي 9 م * 0.9 م * 1.2 م | |
23. | وزن | كلغ | 4500 |
24. | منطقة العمل | m | 20*3 |
25. | الجهد االكهربى | 3800 فولت، 50 هرتز، 3 مراحل | |
آلة الثني الهيدروليكية تتطابق مع التماس الدائم:
يمكن ضبط الزاوية بواسطة PLC، ويمكن ثنيها للصفائح الطويلة، لأن الآلة يمكن أن تنخفض.
آلة الاغلاق التلقائي:
آلة تشكيل التماس الدائمة
تحتوي آلة السقف المعدني ذات التماس الدائم على أنواع مختلفة تستخدم مع الصفائح المموجة وألواح IBR أو صفائح البلاط المزجج أو القفل الذاتي
آلة السقف.يتم استخدام الورقة على نطاق واسع في العديد من أنواع المصانع الصناعية والمباني المدنية وألواح السقف لمنتج الأجزاء المرفقة
يتميز بمظهر جميل، واستخدام متين وما إلى ذلك.
تخصيص:
لا. | غرض | وحدة | |
1. | مادة المعالجة | ببجي | |
2. | نوع الملف الشخصي | كعميل’طلب | |
3. | سمك ملف التغذية | مم | 0.4-0.8 |
4. | نعم | M سنويا | 300 - 650 |
5. | مادة العمود الصلب | درجة عالية، 45# فولاذ، معالجة للتبريد والتلطيف | |
6. | رمح ضياءمتر | مم | 70 |
7. | محطة رول | لا. | 20 |
8. | المواد المتداول | 45# فولاذ | |
9. | معالجة الأسطوانة | مم | مطلي بالكروم الصلب 0.05 - 0.08 |
10. | سرعة الخط | حوالي 12-15 م/دقيقة | |
11. | نوع محرك آلة تشكيل اللف | سلسلة | |
12. | قوة المحرك الرئيسي | كيلووات | 7.5 |
آلة قطع | |||
13. | يكتب | القطع الهيدروليكي الذي يتم التحكم فيه بواسطة PLC | |
14. | قدرة سمك | مم | 0.4-0.8 |
15. | سعة العرض | مم | كرسم |
16. | قطع شفرة الصلب الصف | Cr12، التبريد | |
17. | صلابة | 58-62 لجنة حقوق الإنسان | |
18. | قطع التسامح | مم | +/- 1 |
وحدة التحكم | |||
19. | يكتب | التحكم PLC | |
20. | ماركة PLC | دلتا | |
21. | قوة محول التردد | كيلووات | 4 |
22. | أبعاد الآلة | حوالي 9 م * 0.9 م * 1.2 م | |
23. | وزن | كلغ | 4500 |
24. | منطقة العمل | m | 20*3 |
25. | الجهد االكهربى | 3800 فولت، 50 هرتز، 3 مراحل | |
آلة الثني الهيدروليكية تتطابق مع التماس الدائم:
يمكن ضبط الزاوية بواسطة PLC، ويمكن ثنيها للصفائح الطويلة، لأن الآلة يمكن أن تنخفض.
آلة الاغلاق التلقائي:
